碲化锌晶体 ZnTe晶体
产品简介
[110]晶向的ZnTe(碲化锌晶体)常通过光学整流来产生太赫兹振荡。光学整流效应是一种二阶非线性效应,也是一种特殊的差频效应。一定宽度的飞秒激光脉冲,拥有非常宽的频率分量,这些分量间的相互作用(主要是差频)将会产生从0到几个太赫兹的电磁波。
太赫兹脉冲可通过另一个[110]晶向的碲化锌晶体ZnTe实现光电探测。太赫兹光脉冲会使ZnTe晶体产生双折射,因此当太赫兹光脉冲和可见光脉冲同时在碲化锌晶体中直线传播时,可见光的偏振状态将会因此发生变化。使用λ/4波片,偏振分光体,以及平衡光电二极管,我们可以完成对可见光的偏振状态的监控,从而得知太赫兹光脉冲的振幅,延迟等各种参数。而这种监测太赫兹光脉冲的完整电磁场信息(振幅和相位延迟)的能力,是时域太赫兹光谱仪较具吸引力的特性之一。

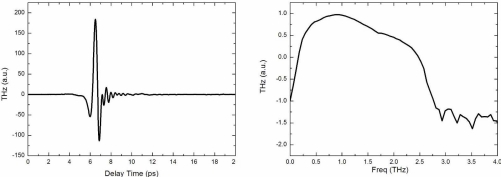
znte晶体典型时域光谱和频谱(发射端和接收端同为1mm厚度【110】晶向znte晶体。激发波长800nm,重复频率1KHz,脉冲宽度120fs)
碲化锌晶体ZnTe晶体型号规格
品名 | 型号* | 晶向 | 尺寸** | 厚度 | 安装架规格 |
znte晶体 | ZnTe-110-10-0.1 | 110 | 10mm*10mm | 0.1mm | 外径尺寸: 25.4mm
边缘厚度: 5mm-8mm
|
znte晶体 | ZnTe-110-10-0.2 | 110 | 10mm*10mm | 0.2mm | |
znte晶体 | ZnTe-110-10-0.5 | 110 | 10mm*10mm | 0.5mm | |
znte晶体 | ZnTe-110-10-1 | 110 | 10mm*10mm | 1mm | |
znte晶体 | ZnTe-110-10-2 | 110 | 10mm*10mm | 2mm | |
znte晶体 | ZnTe-110-10-3 | 110 | 10mm*10mm | 3mm | |
znte晶体 | ZnTe-110-10-0.1-100-2 | [110]/[100]*** | 10mm*10mm | 0.1mm[110] 衬底层厚度:2mm[100] |
*以上型号常备库存
**可以定制更大尺寸的ZnTe晶体,已经111晶向和100晶向的ZnTe晶体
***0.1mm厚度的[110]晶向ZnTe晶体,光学贴合在2mm厚度的[100]晶向ZnTe晶体上
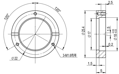
晶体安装架尺寸图
| 品名 | 型号 | 数量 | 更新时间 |
| 碲化锌晶体 | ZnTe-110-10-0.1 | 5 | 2026-04-14 |
| 碲化锌晶体 | ZnTe-110-10-0.2 | 0 | 2026-04-14 |
| 碲化锌晶体 | ZnTe-110-10-0.3 | 0 | 2026-04-14 |
| 碲化锌晶体 | ZnTe-110-10-0.5 | 6 | 2026-04-14 |
| 碲化锌晶体 | ZnTe-110-10-1 | 12 | 2026-04-14 |
| 碲化锌晶体 | ZnTe-110-10-2 | 4 | 2026-04-14 |
| 碲化锌晶体 | ZnTe-110-10-3 | 1 | 2026-04-14 |